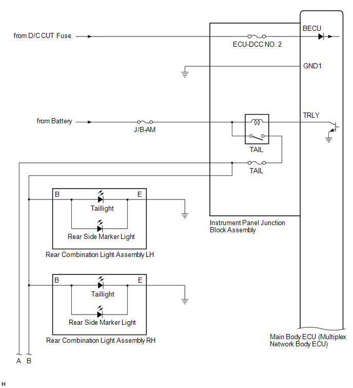
SYSTEM DIAGRAM
HEADLIGHT ASSEMBLY CIRCUIT

How To Proceed With Troubleshooting
Customize ParametersLexus RX (RX 350L, RX450h) 2016-2025 Repair Manual > Sfi System: A/F (O2) Sensor Signal Biased/Stuck Lean Bank 1 Sensor 1 Circuit Current Above Threshold (P219519,P219524,P219618,P219623,P219719,P219724,P219818,P219823)
DESCRIPTION HINT: Although the DTC titles say oxygen sensor, these DTCs relate to the air fuel ratio sensor. The air fuel ratio sensor generates voltage* that corresponds to the actual air fuel ratio. This sensor voltage is used to provide the ECM with feedback so that it can control the air fuel ra ...
Lexus RX (RX 350L, RX450h) 2016-2025 Repair Manual > Lighting System (w/o Automatic Headlight Beam Level Control System): Automatic High Beam System (B124B)
DESCRIPTION The main body ECU (multiplex network body ECU) determines the status of the automatic high beam system based on the automatic high beam system signal from the forward recognition camera. DTC No. Detection Item DTC Detection Condition Trouble Area DTC Output from B124B Au ...