Lexus RX (RX 350L, RX450h) 2016-2026 Repair Manual: System Diagram

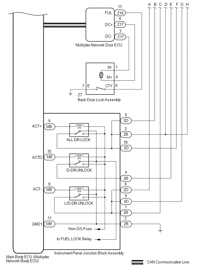
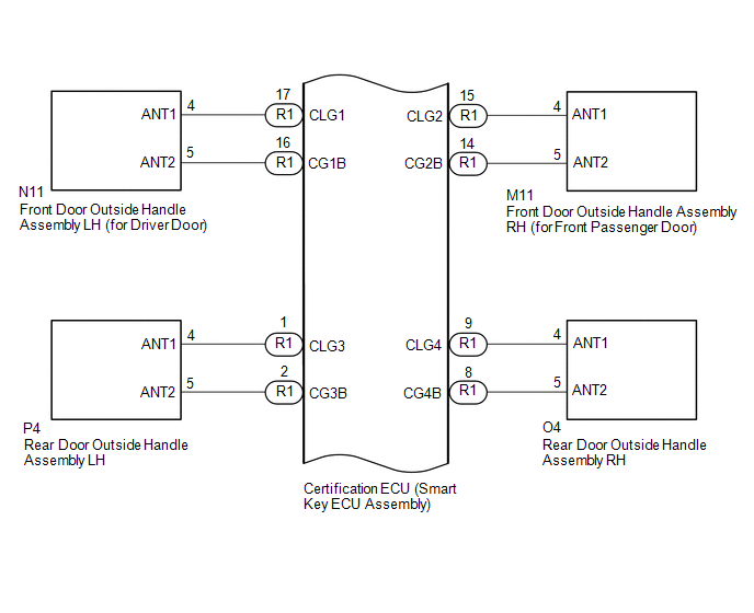
SYSTEM DIAGRAM

  • This is a detailed diagram related to the certification ECU (smart key ECU assembly).
  • This is a detailed diagram related to the main body ECU (multiplex network body ECU).

Component

Function

Front door outside handle assembly

Receives request signals from the certification ECU (smart key ECU assembly) via the built-in electrical key antenna (front door) and forms the vehicle exterior detection area.

Uses the built-in touch sensor (lock sensor/unlock sensor) to detect the operation of the front door outside handle assembly and sends signals to the certification ECU (smart key ECU assembly).

Rear door outside handle assembly

Receives request signals from the certification ECU (smart key ECU assembly) via the built-in electrical key antenna (rear door) and forms the vehicle exterior detection area.

Uses the built-in touch sensor (lock sensor/unlock sensor) to detect the operation of the rear door outside handle assembly and sends signals to the certification ECU (smart key ECU assembly).

No. 1 indoor electrical key antenna assembly (front floor)

No. 2 indoor electrical key antenna assembly (rear floor)

No. 3 indoor electrical key antenna assembly (inside luggage compartment)

Receives the request code from the certification ECU (smart key ECU assembly) and forms the vehicle interior detection area.

Electrical key antenna (outside luggage compartment)

Receives the request code from the certification ECU (smart key ECU assembly) and forms the back door exterior detection area.

Back door opener switch assembly

Sends switch operation signals to the certification ECU (smart key ECU assembly).

Door control receiver

Receives the smart access system with push-button start code/wireless code sent from the electrical key transmitter sub-assembly and sends it to the certification ECU (smart key ECU assembly).

Wireless door lock buzzer

Sounds when warning functions operate in accordance with certification ECU (smart key ECU assembly) control.

Electrical key transmitter sub-assembly

Sends the ID code upon receiving a request signal.

Certification ECU (smart key ECU assembly)

Sends request codes to each electrical key antenna.

Distinguishes and verifies the ID code from the electrical key transmitter sub-assembly and sends signals to each ECU in response to operated functions (controls entire system).

Performs encryption code communication with the ID code box (immobiliser code ECU) when ignition operations are performed.

    Parts Location
    PARTS LOCATION ILLUSTRATION *1 ECM - - ILLUSTRATION *A w/ Hands Free Power Back Door - - *1 BACK DOOR COURTESY LIGHT SWITCH *2 BACK DOOR LOCK ASSEMBLY *3 FRONT D ...

    System Description
    SYSTEM DESCRIPTION MULTI CHANNEL FUNCTION (a) The electrical key transmitter sub-assembly and door control receiver can operate on two different RF channels. When an electrical key transmitter sub-ass ...

    Other materials:

    Lexus RX (RX 350L, RX450h) 2016-2026 Repair Manual > Dynamic Radar Cruise Control System: Lost Communication with ECM/PCM "A" Missing Message (U010087,U012587,U012687,U012987,U015587,U110687)
    DESCRIPTION The forward recognition camera communicates with each sensor and ECU via CAN communication. If any malfunction is detected in a CAN communication circuit, one or more CAN communication system DTCs are stored. DTC No. Detection Item DTC Detection Condition Trouble Area MIL DT ...

    Lexus RX (RX 350L, RX450h) 2016-2026 Repair Manual > Mass Air Flow Meter: Inspection
    INSPECTION PROCEDURE 1. INSPECT MASS AIR FLOW METER SUB-ASSEMBLY (a) Perform a visual check for any foreign matter on the intake air temperature sensor (thermistor) of the mass air flow meter sub-assembly shown in the illustration. OK: There is no foreign matter. If the result is not as specifie ...

    Lexus RX (RX 350L, RX450h) 2016-{YEAR} Owners Manual

    Lexus RX (RX 350L, RX450h) 2016-{YEAR} Repair Manual

    © 2026 Copyright www.lexusrx.net
    0.0117