Lexus RX (RX 350L, RX450h) 2016-2026 Repair Manual: Diameter of the Tire is not Uniform (C1337)

DESCRIPTION

The 4WD ECU assembly stores this DTC if a difference in tire size is detected.

DTC No.

Detection Item

DTC Detection Condition

Trouble Area

C1337

Diameter of the Tire is not Uniform

When the following continues for 36 seconds or more:

At a vehicle speed of 30 km/h (18.6 mph) or more, the average speed difference between the front wheel and rear wheel is 4% or more.

  • Tire size or pressure (front and rear tires)
  • Speed sensor circuit
  • Front speed sensor
  • Rear speed sensor
  • Front skid control sensor wire (w/ AVS)
  • Rear No. 1 skid control sensor wire (w/ AVS)
  • Front speed sensor rotor (Front axle hub sub-assembly)
  • Rear speed sensor rotor (Rear axle hub and bearing assembly)
  • Wire harness and connector
  • Skid control ECU (Brake actuator assembly)
  • 4WD ECU assembly

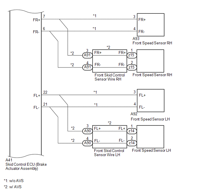
WIRING DIAGRAM

CAUTION / NOTICE / HINT

NOTICE:

When the 4WD ECU assembly is replaced with a known good one from another vehicle, it is necessary to perform calibration.

Click here

HINT:

Check the condition of each related circuit connector before troubleshooting.

Click here

PROCEDURE

1.

CHECK TIRE CONDITION

(a) Check the size and condition of all 4 tires.

HINT:

This DTC is output when tire deformation or a difference in tire size is detected.

OK:

The diameter and air pressure of all 4 tires are the same.

NG

PERFORM AIR PRESSURE ADJUSTMENT OR REPLACE TIRES SO THAT ALL 4 TIRES ARE SAME IN SIZE

OK

2.

CHECK FOR DTC

(a) Clear the DTCs.

Chassis > Four Wheel Drive > Clear DTCs

(b) Start the engine.

(c) Drive the vehicle at a speed of 30 km/h (19 mph) or more so that the same DTC is output.

Chassis > Four Wheel Drive > Trouble Codes

(d) Check if the speed sensor DTC (vehicle stability control system DTC) is output.

Chassis > Brake/EPB > Trouble Codes

(e) Read the DTCs using the Techstream.

Result

Proceed to

Only DTC C1377 is output (w/o AVS)

A

Only DTC C1377 is output (w/ AVS)

B

DTCs are not output

C

Speed sensor DTCs (vehicle stability control system DTC) are output

D

B

GO TO STEP 4

C

CHECK FOR INTERMITTENT PROBLEMS

D

REPAIR CIRCUIT INDICATED BY OUTPUT CODE (VEHICLE STABILITY CONTROL SYSTEM)

A

3.

CHECK HARNESS AND CONNECTOR (SPEED SENSOR - BRAKE ACTUATOR ASSEMBLY)

(a) Make sure that there is no looseness at the locking part and the connecting part of the connectors.

(b) Turn the engine switch off.

(c) Disconnect the A41 skid control ECU (brake actuator assembly) connector.

(d) Disconnect the A92, A93, T1 and/or T2 speed sensor connector(s).

(e) Measure the resistance according to the value(s) in the table below.

Standard Resistance:

for Front RH:

Tester Connection

Condition

Specified Condition

A41-7 (FR+) - A93-3 (FR+)

Always

Below 1 Ω

A41-6 (FR-) - A93-4 (FR-)

Always

A41-7 (FR+) or A93-3 (FR+) - Body ground and other terminals

Always

10 kΩ or higher

A41-6 (FR-) or A93-4 (FR-) - Body ground and other terminals

Always

for Front LH:

Tester Connection

Condition

Specified Condition

A41-22 (FL+) - A92-3 (FL+)

Always

Below 1 Ω

A41-21 (FL-) - A92-4 (FL-)

Always

A41-22 (FL+) or A92-3 (FL+) - Body ground and other terminals

Always

10 kΩ or higher

A41-21 (FL-) or A92-4 (FL-) - Body ground and other terminals

Always

for Rear RH:

Tester Connection

Condition

Specified Condition

A41-20 (RR+) - T2-2 (RR+)

Always

Below 1 Ω

A41-19 (RR-) - T2-1 (RR-)

Always

A41-20 (RR+) or T2-2 (RR+) - Body ground and other terminals

Always

10 kΩ or higher

A41-19 (RR-) or T2-1 (RR-) - Body ground and other terminals

Always

for Rear LH:

Tester Connection

Condition

Specified Condition

A41-5 (RL+) - T1-3 (RL+)

Always

Below 1 Ω

A41-4 (RL-) - T1-1 (RL-)

Always

A41-5 (RL+) or T1-3 (RL+) - Body ground and other terminals

Always

10 kΩ or higher

A41-4 (RL-) or T1-1 (RL-) - Body ground and other terminals

Always

(f) Connect the A92, A93, T1 and/or T2 speed sensor connector(s).

(g) Connect the A41 skid control ECU (brake actuator assembly) connector.

OK

GO TO STEP 6

NG

REPAIR OR REPLACE HARNESS OR CONNECTOR

4.

CHECK HARNESS AND CONNECTOR (SKID CONTROL SENSOR WIRE - BRAKE ACTUATOR ASSEMBLY)

(a) Make sure that there is no looseness at the locking part and the connecting part of the connectors.

(b) Disconnect the A41 skid control ECU (brake actuator assembly) connector.

(c) Disconnect the A90, A91, T7 and/or T8 skid control sensor wire connector(s).

(d) Measure the resistance according to the value(s) in the table below.

Standard Resistance:

for Front RH:

Tester Connection

Condition

Specified Condition

A41-7 (FR+) - A91-3 (FR+)

Always

Below 1 Ω

A41-6 (FR-) - A91-4 (FR-)

Always

A41-7 (FR+) or A91-3 (FR+) - Body ground and other terminals

Always

10 kΩ or higher

A41-6 (FR-) or A91-4 (FR-) - Body ground and other terminals

Always

for Front LH:

Tester Connection

Condition

Specified Condition

A41-22 (FL+) - A90-3 (FL+)

Always

Below 1 Ω

A41-21 (FL-) - A90-4 (FL-)

Always

A41-22 (FL+) or A90-3 (FL+) - Body ground and other terminals

Always

10 kΩ or higher

A41-21 (FL-) or A90-4 (FL-) - Body ground and other terminals

Always

for Rear RH:

Tester Connection

Condition

Specified Condition

A41-20(RR+) - T7-2 (RR+)

Always

Below 1 Ω

A41-19 (RR-) - T7-1 (RR-)

Always

A41-20 (RR+) or T7-2 (RR+) - Body ground and other terminals

Always

10 kΩ or higher

A41-19 (RR-) or T7-1 (RR-) - Body ground and other terminals

Always

for Rear LH:

Tester Connection

Condition

Specified Condition

A41-5 (RL+) - T8-3 (RL+)

Always

Below 1 Ω

A41-4 (RL-) - T8-1 (RL-)

Always

A41-5 (RL+) or T8-3 (RL+) - Body ground and other terminals

Always

10 kΩ or higher

A41-4 (RL-) or T8-1 (RL-) - Body ground and other terminals

Always

(e) Connect the A90, A91, T7 and/or T8 skid control sensor wire connector(s).

(f) Connect the A41 skid control ECU (brake actuator assembly) connector.

NG

REPAIR OR REPLACE HARNESS OR CONNECTOR

OK

5.

INSPECT SKID CONTROL SENSOR WIRE

(a) Make sure that there is no looseness at the locking part and the connecting part of the connectors.

(b) Turn the engine switch off.

(c) Disconnect the A90, A91, z14 and/or z15 front skid control sensor wire connector(s).

(d) Measure the resistance according to the value(s) in the table below.

*A

for RH

*B

for LH

*1

Front Skid Control Sensor Wire

-

-

*a

Front view of wire harness connector

(to Vehicle Side Connector)

*b

Front view of wire harness connector

(to Front Speed Sensor Side Connector)

Standard Resistance:

for Front Skid Control Sensor Wire RH:

Tester Connection

Condition

Specified Condition

z15-1 (FR+) - A91-3 (FR+)

Always

Below 1 Ω

z15-2 (FR-) - A91-4 (FR-)

Always

z15-1 (FR+) or A91-3 (FR+) - Body ground and other terminals

Always

10 kΩ or higher

z15-2 (FR-) or A91-4 (FR-) - Body ground and other terminals

Always

for Front Skid Control Sensor Wire LH:

Tester Connection

Condition

Specified Condition

z14-1 (FL+) - A90-3 (FL+)

Always

Below 1 Ω

z14-2 (FL-) - A90-4 (FL-)

Always

z14-1 (FL+) or A90-3 (FL+) - Body ground and other terminals

Always

10 kΩ or higher

z14-2 (FL-) or A90-4 (FL-) - Body ground and other terminals

Always

(e) Connect the A90, A91, z14 and/or z15 front skid control sensor wire connector(s).

(f) Disconnect the T7, T8, z22 and/or z23 rear No. 1 skid control sensor wire connector(s).

(g) Measure the resistance according to the value(s) in the table below.

Standard Resistance:

for Rear No. 1 Skid Control Sensor Wire RH:

Tester Connection

Condition

Specified Condition

z22-1 (RR+) - T7-2 (RR+)

Always

Below 1 Ω

z22-3 (RR-) - T7-1 (RR-)

Always

z22-1 (RR+) or T7-2 (RR+) - Body ground and other terminals

Always

10 kΩ or higher

z22-3 (RR-) or T7-1 (RR-) - Body ground and other terminals

Always

for Rear No. 1 Skid Control Sensor Wire LH:

Tester Connection

Condition

Specified Condition

z23-1 (RL+) - T8-3 (RL+)

Always

Below 1 Ω

z23-3 (RL-) - T8-1 (RL-)

Always

z23-1 (RL+) or T8-3 (RL+) - Body ground and other terminals

Always

10 kΩ or higher

z23-3 (RL-) or T8-1 (RL-) - Body ground and other terminals

Always

*1

Rear No. 1 Skid Control Sensor Wire RH

*2

Rear No. 1 Skid Control Sensor Wire LH

*a

Front view of wire harness connector

(to Vehicle Side Connector)

*b

Front view of wire harness connector

(to Rear Speed Sensor Side Connector)

(h) Connect the T7, T8, z22 and/or z23 rear No. 1 skid control sensor wire connector(s).

NG

REPAIR OR REPLACE SKID CONTROL SENSOR WIRE

OK

6.

PERFORM TEST MODE (SIGNAL CHECK)

(a) Turn the engine switch off.

(b) Perform the sensor check in the Test Mode procedure.

Click here

Chassis > Brake/EPB > Utility

Tester Display

Signal Check

OK:

All Test Mode (signal check) inspection items are normal.

NG

GO TO STEP 8

OK

7.

RECONFIRM DTC

(a) Clear the DTCs.

Click here

Chassis > Four Wheel Drive > Clear DTCs

(b) Start the engine.

(c) Drive the vehicle at a speed of 30 km/h (19 mph) or more and check that the same DTC is output.

Click here

Chassis > Four Wheel Drive > Trouble Codes

Result

Proceed to

DTC is not output

A

DTC is output

B

A

CHECK FOR INTERMITTENT PROBLEMS

B

REPLACE BRAKE ACTUATOR ASSEMBLY

8.

CHECK SPEED SENSOR ROTOR

(a) Turn the engine switch off.

(b) Remove the front speed sensor rotor (front axle hub sub-assembly) or rear speed sensor rotor (rear axle hub and bearing assembly).

for Front: Click here

for Rear: Click here

(c) Check the speed sensor rotor.

OK:

There is no foreign matter, scratches or oil on the rotors.

NOTICE:

Check the speed sensor signal after cleaning or replacement.

Click here

HINT:

  • If the front speed sensor rotor needs to be replaced, replace the front axle hub bearing assembly.
  • If the rear speed sensor rotor needs to be replaced, replace the rear axle hub and bearing assembly.
NG

CLEAN OR REPLACE SPEED SENSOR ROTOR

OK

9.

REPLACE SPEED SENSOR

(a) Turn the engine switch off.

(b) Replace the front speed sensor or the rear speed sensor.

for Front: Click here

for Rear: Click here

NOTICE:

Check the speed sensor signal after replacement.

Click here

NEXT

10.

RECONFIRM DTC

(a) Clear the DTCs.

Click here

Chassis > Four Wheel Drive > Clear DTCs

(b) Start the engine.

(c) Drive the vehicle at a speed of 30 km/h (19 mph) or more and check that the same DTC is output.

Click here

Chassis > Four Wheel Drive > Trouble Codes

Result

Proceed to

DTC is output

A

DTC is not output

B

HINT:

Reinstall the sensor, connectors, etc. and restore the vehicle to its prior condition before rechecking DTCs.

B

END

A

11.

REPLACE BRAKE ACTUATOR ASSEMBLY

(a) Replace the skid control ECU (brake actuator assembly).

Click here

NEXT

12.

RECONFIRM DTC

(a) Clear the DTCs.

Click here

Chassis > Four Wheel Drive > Clear DTCs

(b) Start the engine.

(c) Drive the vehicle at a speed of 30 km/h (19 mph) or more and check that the same DTC is output.

Click here

Chassis > Four Wheel Drive > Trouble Codes

Result

Proceed to

DTC is not output

A

DTC is output

B

A

END

B

REPLACE 4WD ECU ASSEMBLY

    Cancellation of 4WD Control (C1299)
    DESCRIPTION This DTC is stored if the heat generated by the transmission coupling assembly exceeds a certain amount or the estimated oil temperature of the transfer exceeds a certain amount while driv ...

    Control Module Communication Bus Off (U0073)
    DESCRIPTION The 4WD ECU assembly stores this DTC when a communication malfunction is detected. DTC No. Detection Item DTC Detection Condition Trouble Area U0073 Control Module Communica ...

    Other materials:

    Lexus RX (RX 350L, RX450h) 2016-2026 Repair Manual > Automatic Transaxle System: Shift Solenoid "B" Circuit Short to Ground (P075511)
    DESCRIPTION Changing gears is performed by the ECM turning the shift solenoid valves SL1, SL2, SL3, SL4, SL5, S1 and S2 on and off. If an open or short occurs in any of the shift solenoid valve circuits, the ECM controls the remaining normal shift solenoid valves to allow the vehicle to be driven. I ...

    Lexus RX (RX 350L, RX450h) 2016-2026 Repair Manual > Intelligent Clearance Sonar System: Steering Angle Sensor Failure (C1626)
    DESCRIPTION This DTC is stored if the clearance warning ECU assembly receives a signal via CAN communication from the steering sensor that indicates an internal malfunction. DTC No. Detection Item DTC Detection Condition Trouble Area C1626 Steering Angle Sensor Failure A fail flag i ...

    Lexus RX (RX 350L, RX450h) 2016-{YEAR} Owners Manual

    Lexus RX (RX 350L, RX450h) 2016-{YEAR} Repair Manual

    © 2026 Copyright www.lexusrx.net
    0.0115