Lexus RX (RX 350L, RX450h) 2016-2026 Repair Manual: Check Bus 1 Line for Short to GND

DESCRIPTION

There may be a short circuit between one of the CAN bus lines and GND when there is no resistance between terminal 23 (CA1H) of the network gateway ECU and terminal 4 (CG) of the DLC3, or terminal 8 (CA1L) of the network gateway ECU and terminal 4 (CG) of the DLC3.

Symptom

Trouble Area

There is no resistance between terminal 23 (CA1H) of the network gateway ECU and terminal 4 (CG) of the DLC3, or terminal 8 (CA1L) of the network gateway ECU and terminal 4 (CG) of the DLC3.

  • Short in CAN main bus line
  • Short in CAN branch line
  • Clearance warning ECU assembly (w/ Intuitive Parking Assist System)
  • Parking assist ECU (w/ Panoramic View Monitor System)
  • Forward recognition camera
  • Millimeter wave radar sensor assembly
  • Rear television camera assembly
  • Blind spot monitor sensor LH (w/ Blind Spot Monitor System)
  • Network gateway ECU
  • No. 3 CAN junction connector
  • No. 10 CAN junction connector

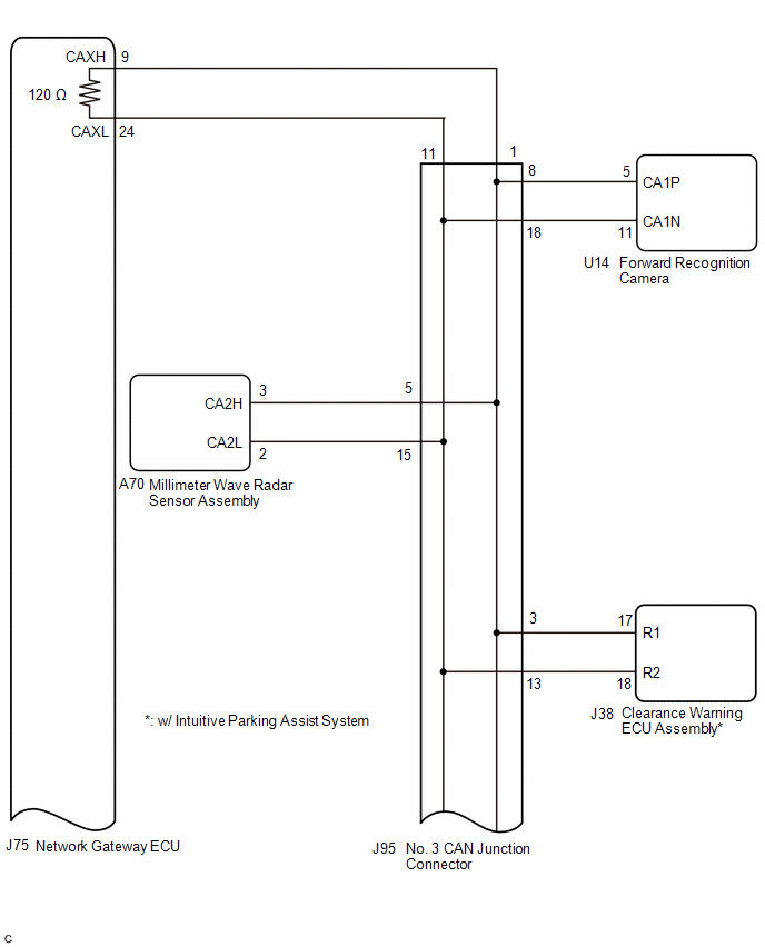
WIRING DIAGRAM

CAUTION / NOTICE / HINT

CAUTION:

When performing the confirmation driving pattern, obey all speed limits and traffic laws.

NOTICE:

  • Before measuring the resistance of the CAN bus, turn the engine switch off and leave the vehicle for 1 minute or more without operating the key or any switches, or opening or closing the doors. After that, disconnect the cable from the negative (-) battery terminal and leave the vehicle for 1 minute or more before measuring the resistance.
  • After turning the engine switch off, waiting time may be required before disconnecting the cable from the negative (-) battery terminal. Therefore, make sure to read the disconnecting the cable from the negative (-) battery terminal notices before proceeding with work.

    Click here

  • Because the order of diagnosis is important to allow correct diagnosis, make sure to begin troubleshooting using How to Proceed with Troubleshooting when CAN communication system related DTCs are output.

    Click here

  • After performing repairs, perform the DTC check procedure and confirm that the DTCs are not output again.

    DTC check procedure: Turn the engine switch on (IG) and wait for 1 minute or more. Then operate the suspected malfunctioning system and drive the vehicle at 60 km/h (37 mph) or more for 5 minutes or more.

  • After the repair, perform the CAN bus check and check that all the ECUs and sensors connected to the CAN communication system are displayed.

    Click here

HINT:

  • Operating the engine switch, any other switches or a door triggers related ECU and sensor communication on the CAN. This communication will cause the resistance value to change.
  • Even after DTCs are cleared, if a DTC is stored again after driving the vehicle for a while, the malfunction may be occurring due to vibration of the vehicle. In such a case, wiggling the ECUs or wire harness while performing the inspection below may help determine the cause of the malfunction.

PROCEDURE

1.

CHECK FOR SHORT TO GND IN CAN BUS LINE (NETWORK GATEWAY ECU)

(a) Disconnect the cable from the negative (-) battery terminal.

(b) Disconnect the J75 network gateway ECU connector.

*1

DLC3

-

-

*a

Front view of wire harness connector

(to Network Gateway ECU)

-

-

(c) Measure the resistance according to the value(s) in the table below.

Standard Resistance:

Tester Connection

Condition

Specified Condition

J75-23 (CA1H) - J141-4 (CG)

Cable disconnected from negative (-) battery terminal

200 Ω or higher

J75-8 (CA1L) - J141-4 (CG)

OK

REPLACE NETWORK GATEWAY ECU

NG

2.

CHECK FOR SHORT TO GND IN CAN BUS LINE (NO. 10 CAN JUNCTION CONNECTOR)

(a) Reconnect the J75 network gateway ECU connector.

(b) Disconnect the S56, S57, S58 and S59 No. 10 CAN junction connectors.

HINT:

  • Connectors that connect to the CAN junction connector can be distinguished by the color of their CAN bus lines.
  • Before disconnecting the connectors, make a note of where they are connected.
  • Reconnecting the connectors to non-original positions on the CAN junction connector does not affect system performance. However, it is preferred to reconnect the connectors to their original positions to avoid negative effects on the wiring such as tension on the wiring harnesses, and to make future maintenance easier.

*1

DLC3

-

-

*a

Rear view of wire harness connector

(to No. 10 CAN Junction Connector)

*b

to Network Gateway ECU

*c

to No. 3 CAN Junction Connector

*d

to Blind Spot Monitor Sensor LH

(w/ Blind Spot Monitor System)

*e

to Rear Television Camera Assembly

-

-

Wiring Color:

Code

Color (CANH Side)

Color (CANL Side)

Connected to

S56

G

W

Network gateway ECU

S57

LG

W

No. 3 CAN junction connector

S58

V

W

Blind spot monitor sensor LH

S59

P

W

Rear television camera assembly

(c) Measure the resistance according to the value(s) in the table below.

Standard Resistance:

Tester Connection

Condition

Specified Condition

Connected to

S56-1 (CANH) - J141-4 (CG)

Cable disconnected from negative (-) battery terminal

200 Ω or higher

Network gateway ECU

S56-2 (CANL) - J141-4 (CG)

S57-1 (CANH) - J141-4 (CG)

Cable disconnected from negative (-) battery terminal

200 Ω or higher

No. 3 CAN junction connector

S57-2 (CANL) - J141-4 (CG)

S58-1 (CANH) - J141-4 (CG)

Cable disconnected from negative (-) battery terminal

200 Ω or higher

Blind spot monitor sensor LH*

S58-2 (CANL) - J141-4 (CG)

S59-1 (CANH) - J141-4 (CG)

Cable disconnected from negative (-) battery terminal

200 Ω or higher

Rear television camera assembly

S59-2 (CANL) - J141-4 (CG)

  • *: w/ Blind Spot Monitor System

Result

Proceed to

OK

A

NG (Network gateway ECU main line)

B

NG (ECU or sensor bus line)

C

NG (No. 3 CAN junction connector main line)

D

A

REPLACE NO. 10 CAN JUNCTION CONNECTOR

B

REPAIR OR REPLACE CAN MAIN BUS LINE OR CONNECTOR (NETWORK GATEWAY ECU - NO. 10 CAN JUNCTION CONNECTOR)

C

GO TO STEP 4

D

3.

CHECK FOR SHORT TO GND IN CAN BUS LINE (NO. 3 CAN JUNCTION CONNECTOR)

(a) Reconnect the S56, S57, S58 and S59 No. 10 CAN junction connectors.

(b) Disconnect the J95 No. 3 CAN junction connector.

*1

DLC3

-

-

*a

Front view of wire harness connector

(to No. 3 CAN Junction Connector)

*b

to Network Gateway ECU

*c

to Parking Assist ECU

(w/ Panoramic View Monitor System)

*d

to Clearance Warning ECU Assembly

(w/ Intuitive Parking Assist System)

*e

to Millimeter Wave Radar Sensor Assembly

*f

to Forward Recognition Camera

*g

to No. 10 CAN Junction Connector

-

-

(c) Measure the resistance according to the value(s) in the table below.

Standard Resistance:

Tester Connection

Condition

Specified Condition

Connected to

J95-1 (CANH) - J141-4 (CG)

Cable disconnected from negative (-) battery terminal

200 Ω or higher

Network gateway ECU

J95-11 (CANL) - J141-4 (CG)

J95-2 (CANH) - J141-4 (CG)

Cable disconnected from negative (-) battery terminal

200 Ω or higher

Parking assist ECU*1

J95-12 (CANL) - J141-4 (CG)

J95-3 (CANH) - J141-4 (CG)

Cable disconnected from negative (-) battery terminal

200 Ω or higher

Clearance warning ECU assembly*2

J95-13 (CANL) - J141-4 (CG)

J95-5 (CANH) - J141-4 (CG)

Cable disconnected from negative (-) battery terminal

200 Ω or higher

Millimeter wave radar sensor assembly

J95-15 (CANL) - J141-4 (CG)

J95-8 (CANH) - J141-4 (CG)

Cable disconnected from negative (-) battery terminal

200 Ω or higher

Forward recognition camera

J95-18 (CANL) - J141-4 (CG)

J95-10 (CANH) - J141-4 (CG)

Cable disconnected from negative (-) battery terminal

200 Ω or higher

No. 10 CAN junction connector

J95-20 (CANL) - J141-4 (CG)

  • *1: w/ Panoramic View Monitor System
  • *2: w/ Intuitive Parking Assist System

Result

Proceed to

OK

A

NG (No. 10 CAN junction connector main line)

B

NG (ECU or sensor bus line)

C

NG (Network gateway ECU main line)

D

A

REPLACE NO. 3 CAN JUNCTION CONNECTOR

B

REPAIR OR REPLACE CAN MAIN BUS LINE OR CONNECTOR (NO. 3 CAN JUNCTION CONNECTOR - NO. 10 CAN JUNCTION CONNECTOR)

D

REPAIR OR REPLACE CAN MAIN BUS LINE OR CONNECTOR (NO. 3 CAN JUNCTION CONNECTOR - NETWORK GATEWAY ECU)

C

4.

CHECK FOR SHORT TO GND IN CAN BUS LINE (ECU, SENSOR)

(a) Reconnect all wire harness connectors.

(b) Disconnect the connector that includes terminals CANH and CANL from the ECU or sensor to which the bus line shorted to GND is connected.

Click here

(c) Measure the resistance according to the value(s) in the table below.

*1

DLC3

-

-

*a

Component with harness connected

(Network Gateway ECU)

-

-

Standard Resistance:

Tester Connection

Condition

Specified Condition

J75-23 (CA1H) - J141-4 (CG)

Cable disconnected from negative (-) battery terminal

200 Ω or higher

J75-8 (CA1L) - J141-4 (CG)

HINT:

If the resistance changes to 200 Ω or higher when the connector is disconnected from the ECU or sensor, there may be a short in the ECU or sensor.

OK

REPLACE CORRESPONDING ECU OR SENSOR

NG

REPAIR OR REPLACE CORRESPONDING ECU OR SENSOR CAN BUS LINE OR CONNECTOR

    Open in One Side of Bus 1 Branch Line
    DESCRIPTION If an ECU or sensor is not displayed on the CAN Bus Check screen of the Techstream and some ECUs and sensors repeatedly appear and disappear from the screen when the CAN main bus lines are ...

    Open in Bus 2 Main Bus Line
    DESCRIPTION There may be an open circuit in one of the bus 2 main lines when the resistance between terminals 18 (CA4H) and 17 (CA4L) of the network gateway ECU is 70 Ω or higher. Symptom Troubl ...

    Other materials:

    Lexus RX (RX 350L, RX450h) 2016-2026 Repair Manual > Sfi System: Random/Multiple Cylinder Misfire Detected (P030000,P030027,P030085-P030600)
    DESCRIPTION When the engine misfires, high concentrations of hydrocarbons (HC) enter the exhaust gas. Extremely high hydrocarbon concentration levels can cause an increase in exhaust emission levels. Extremely high concentrations of hydrocarbons can also cause increases in the three-way catalytic co ...

    Lexus RX (RX 350L, RX450h) 2016-2026 Repair Manual > Navigation System: Sound Signal Circuit between Radio Receiver and Stereo Jack Adapter
    DESCRIPTION The No. 1 stereo jack adapter assembly sends the sound signal from an external device to the radio receiver assembly via this circuit. WIRING DIAGRAM PROCEDURE 1. CHECK HARNESS AND CONNECTOR (RADIO RECEIVER ASSEMBLY - NO. 1 STEREO JACK ADAPTER ASSEMBLY) (a) Disconnect the J148 ...

    Lexus RX (RX 350L, RX450h) 2016-{YEAR} Owners Manual

    Lexus RX (RX 350L, RX450h) 2016-{YEAR} Repair Manual

    © 2026 Copyright www.lexusrx.net
    0.0118