Lexus RX (RX 350L, RX450h) 2016-2025 Repair Manual: Check Bus 4 Lines for Short Circuit

DESCRIPTION

There may be a short circuit between the bus 4 main lines and/or bus 4 branch lines when the resistance between terminals 22 (CA2H) and 7 (CA2L) of the network gateway ECU is below 54 Ω.

Symptom

Trouble Area

Resistance between terminals 22 (CA2H) and 7 (CA2L) of network gateway ECU is below 54 Ω.

  • Short in CAN main bus line
  • Short in CAN branch line
  • Skid control ECU (brake actuator assembly)
  • 4WD ECU assembly (for AWD)
  • Tire pressure warning ECU and receiver
  • Absorber control ECU (w/ AVS)
  • Power steering ECU assembly
  • Steering sensor
  • Yaw rate sensor assembly (w/ TFT Meter Type Combination Meter Assembly)
  • Airbag sensor assembly
  • Occupant detection ECU
  • Network gateway ECU
  • No. 1 CAN junction connector
  • No. 7 CAN junction connector
  • No. 8 CAN junction connector
  • No. 9 CAN junction connector
  • No. 12 CAN junction connector

WIRING DIAGRAM

CAUTION / NOTICE / HINT

CAUTION:

When performing the confirmation driving pattern, obey all speed limits and traffic laws.

NOTICE:

  • Before measuring the resistance of the CAN bus, turn the engine switch off and leave the vehicle for 1 minute or more without operating the key or any switches, or opening or closing the doors. After that, disconnect the cable from the negative (-) battery terminal and leave the vehicle for 1 minute or more before measuring the resistance.
  • After turning the engine switch off, waiting time may be required before disconnecting the cable from the negative (-) battery terminal. Therefore, make sure to read the disconnecting the cable from the negative (-) battery terminal notices before proceeding with work.

    Click here

  • Because the order of diagnosis is important to allow correct diagnosis, make sure to begin troubleshooting using How to Proceed with Troubleshooting when CAN communication system related DTCs are output.

    Click here

  • After performing repairs, perform the DTC check procedure and confirm that the DTCs are not output again.

    DTC check procedure: Turn the engine switch on (IG) and wait for 1 minute or more. Then operate the suspected malfunctioning system and drive the vehicle at 60 km/h (37 mph) or more for 5 minutes or more.

  • After the repair, perform the CAN bus check and check that all the ECUs and sensors connected to the CAN communication system are displayed.

    Click here

HINT:

  • Operating the engine switch, any other switches or a door triggers related ECU and sensor communication on the CAN. This communication will cause the resistance value to change.
  • Even after DTCs are cleared, if a DTC is stored again after driving the vehicle for a while, the malfunction may be occurring due to vibration of the vehicle. In such a case, wiggling the ECUs or wire harness while performing the inspection below may help determine the cause of the malfunction.

PROCEDURE

1.

CHECK FOR SHORT IN CAN BUS LINES (NETWORK GATEWAY ECU)

(a) Disconnect the cable from the negative (-) battery terminal.

(b) Disconnect the J75 network gateway ECU connector.

*a

Front view of wire harness connector

(to Network Gateway ECU)

(c) Measure the resistance according to the value(s) in the table below.

Standard Resistance:

Tester Connection

Condition

Specified Condition

J75-22 (CA2H) - J75-7 (CA2L)

Cable disconnected from negative (-) battery terminal

108 to 132 Ω

OK

REPLACE NETWORK GATEWAY ECU

NG

2.

CHECK FOR SHORT IN CAN BUS LINES (AIRBAG SENSOR ASSEMBLY)

(a) Reconnect the J75 network gateway ECU connector.

(b) Disconnect the J142 airbag sensor assembly connector.

*a

Front view of wire harness connector

(to Airbag Sensor Assembly)

(c) Measure the resistance according to the value(s) in the table below.

Standard Resistance:

Tester Connection

Condition

Specified Condition

J142-26 (CANH) - J142-27 (CANL)

Cable disconnected from negative (-) battery terminal

108 to 132 Ω

Result

Proceed to

OK

A

NG (w/o Rear No. 2 Seat)

B

NG (w/ Rear No. 2 Seat)

C

A

REPLACE AIRBAG SENSOR ASSEMBLY

C

GO TO STEP 8

B

3.

CHECK FOR SHORT IN CAN BUS LINES (NO. 9 CAN JUNCTION CONNECTOR)

(a) Reconnect the J142 airbag sensor assembly connector.

(b) Disconnect the R40 No. 9 CAN junction connector.

*a

Front view of wire harness connector

(to No. 9 CAN Junction Connector)

*b

to No. 12 CAN Junction Connector

*c

to Tire Pressure Warning ECU and Receiver

*d

to No. 8 CAN Junction Connector

(c) Measure the resistance according to the value(s) in the table below.

Standard Resistance:

Tester Connection

Condition

Specified Condition

Connected to

R40-9 (CANH) - R40-20 (CANL)

Cable disconnected from negative (-) battery terminal

108 to 132 Ω

No. 12 CAN junction connector

R40-10 (CANH) - R40-21 (CANL)

Cable disconnected from negative (-) battery terminal

200 Ω or higher

Tire pressure warning ECU and receiver

R40-11 (CANH) - R40-22 (CANL)

Cable disconnected from negative (-) battery terminal

108 to 132 Ω

No. 8 CAN junction connector

Result

Proceed to

OK

A

NG (No. 8 CAN junction connector main lines)

B

NG (ECU or sensor branch lines)

C

NG (No. 12 CAN junction connector main lines)

D

A

REPLACE NO. 9 CAN JUNCTION CONNECTOR

C

GO TO STEP 13

D

GO TO STEP 6

B

4.

CHECK FOR SHORT IN CAN BUS LINES (NO. 1 CAN JUNCTION CONNECTOR)

(a) Reconnect the R40 No. 9 CAN junction connector.

(b) Disconnect the A86 No. 1 CAN junction connector.

*a

Front view of wire harness connector

(to No. 1 CAN Junction Connector)

*b

to No. 8 CAN Junction Connector

*c

to Network Gateway ECU

*d

to Skid Control ECU (Brake Actuator Assembly)

(c) Measure the resistance according to the value(s) in the table below.

Standard Resistance:

Tester Connection

Condition

Specified Condition

Connected to

A86-8 (CANH) - A86-19 (CANL)

Cable disconnected from negative (-) battery terminal

108 to 132 Ω

No. 8 CAN junction connector

A86-9 (CANH) - A86-20 (CANL)

Cable disconnected from negative (-) battery terminal

108 to 132 Ω

Network gateway ECU

A86-10 (CANH) - A86-21 (CANL)

Cable disconnected from negative (-) battery terminal

200 Ω or higher

Skid control ECU (brake actuator assembly)

Result

Proceed to

OK

A

NG (Network gateway ECU main lines)

B

NG (ECU or sensor branch lines)

C

NG (No. 8 CAN junction connector main lines)

D

A

REPLACE NO. 1 CAN JUNCTION CONNECTOR

B

REPAIR OR REPLACE CAN MAIN BUS LINES OR CONNECTOR (NETWORK GATEWAY ECU - NO. 1 CAN JUNCTION CONNECTOR)

C

GO TO STEP 13

D

5.

CHECK FOR SHORT IN CAN BUS LINES (NO. 8 CAN JUNCTION CONNECTOR)

(a) Reconnect the A86 No. 1 CAN junction connector.

(b) Disconnect the R37 No. 8 CAN junction connector.

*a

Front view of wire harness connector

(to No. 8 CAN Junction Connector)

*b

to No. 9 CAN Junction Connector

*c

to No. 1 CAN Junction Connector

*d

to Occupant Detection ECU

*e

to 4WD ECU Assembly

(for AWD)

(c) Measure the resistance according to the value(s) in the table below.

Standard Resistance:

Tester Connection

Condition

Specified Condition

Connected to

*: for AWD

R37-1 (CANH) - R37-12 (CANL)

Cable disconnected from negative (-) battery terminal

108 to 132 Ω

No. 9 CAN junction connector

R37-2 (CANH) - R37-13 (CANL)

Cable disconnected from negative (-) battery terminal

108 to 132 Ω

No. 1 CAN junction connector

R37-3 (CANH) - R37-14 (CANL)

Cable disconnected from negative (-) battery terminal

200 Ω or higher

Occupant detection ECU

R37-4 (CANH) - R37-15 (CANL)

Cable disconnected from negative (-) battery terminal

200 Ω or higher

4WD ECU assembly*

Result

Proceed to

OK

A

NG (No. 1 CAN junction connector main lines)

B

NG (ECU or sensor branch lines)

C

NG (No. 9 CAN junction connector main lines)

D

A

REPLACE NO. 8 CAN JUNCTION CONNECTOR

B

REPAIR OR REPLACE CAN MAIN BUS LINES OR CONNECTOR (NO. 1 CAN JUNCTION CONNECTOR - NO. 8 CAN JUNCTION CONNECTOR)

C

GO TO STEP 13

D

REPAIR OR REPLACE CAN MAIN BUS LINES OR CONNECTOR (NO. 8 CAN JUNCTION CONNECTOR - NO. 9 CAN JUNCTION CONNECTOR)

6.

CHECK FOR SHORT IN CAN BUS LINES (NO. 12 CAN JUNCTION CONNECTOR)

(a) Reconnect the R40 No. 9 CAN junction connector.

(b) Disconnect the S63 No. 12 CAN junction connector.

*a

Front view of wire harness connector

(to No. 12 CAN Junction Connector)

*b

to No. 7 CAN Junction Connector

*c

to No. 9 CAN Junction Connector

*d

to Absorber Control ECU

(w/ AVS)

(c) Measure the resistance according to the value(s) in the table below.

Standard Resistance:

Tester Connection

Condition

Specified Condition

Connected to

*: w/ AVS

S63-8 (CANH) - S63-19 (CANL)

Cable disconnected from negative (-) battery terminal

108 to 132 Ω

No. 7 CAN junction connector

S63-9 (CANH) - S63-20 (CANL)

Cable disconnected from negative (-) battery terminal

108 to 132 Ω

No. 9 CAN junction connector

S63-11 (CANH) - S63-22 (CANL)

Cable disconnected from negative (-) battery terminal

200 Ω or higher

Absorber control ECU*

Result

Proceed to

OK

A

NG (No. 9 CAN junction connector main lines)

B

NG (ECU or sensor branch lines)

C

NG (No. 7 CAN junction connector main lines)

D

A

REPLACE NO. 12 CAN JUNCTION CONNECTOR

B

REPAIR OR REPLACE CAN MAIN BUS LINES OR CONNECTOR (NO. 9 CAN JUNCTION CONNECTOR - NO. 12 CAN JUNCTION CONNECTOR)

C

GO TO STEP 13

D

7.

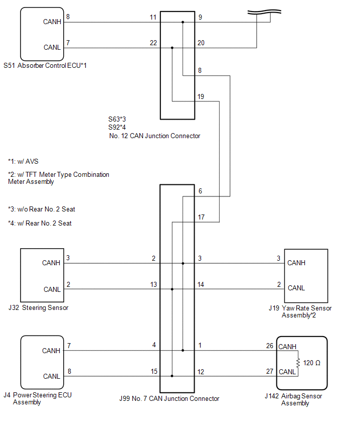
CHECK FOR SHORT IN CAN BUS LINES (NO. 7 CAN JUNCTION CONNECTOR - NO. 12 CAN JUNCTION CONNECTOR)

(a) Reconnect the S63 No. 12 CAN junction connector.

(b) Disconnect the J99 No. 7 CAN junction connector.

*a

Front view of wire harness connector

(to No. 7 CAN Junction Connector)

*b

to Airbag Sensor Assembly

*c

to Steering Sensor

*d

to Yaw Rate Sensor Assembly

(w/ TFT Meter Type Combination Meter Assembly)

*e

to Power Steering ECU Assembly

*f

to No. 12 CAN Junction Connector

(c) Measure the resistance according to the value(s) in the table below.

Standard Resistance:

Tester Connection

Condition

Specified Condition

Connected to

*: w/ TFT Meter Type Combination Meter Assembly

J99-1 (CANH) - J99-12 (CANL)

Cable disconnected from negative (-) battery terminal

108 to 132 Ω

Airbag sensor assembly

J99-2 (CANH) - J99-13 (CANL)

Cable disconnected from negative (-) battery terminal

200 Ω or higher

Steering sensor

J99-3 (CANH) - J99-14 (CANL)

Cable disconnected from negative (-) battery terminal

200 Ω or higher

Yaw rate sensor assembly*

J99-4 (CANH) - J99-15 (CANL)

Cable disconnected from negative (-) battery terminal

200 Ω or higher

Power steering ECU assembly

J99-6 (CANH) - J99-17 (CANL)

Cable disconnected from negative (-) battery terminal

108 to 132 Ω

No. 12 CAN junction connector

Result

Proceed to

OK

A

NG (No. 12 CAN junction connector main lines)

B

NG (ECU or sensor branch lines)

C

NG (Airbag sensor assembly main lines)

D

A

REPLACE NO. 7 CAN JUNCTION CONNECTOR

B

REPAIR OR REPLACE CAN MAIN BUS LINES OR CONNECTOR (NO. 7 CAN JUNCTION CONNECTOR - NO. 12 CAN JUNCTION CONNECTOR)

C

GO TO STEP 13

D

REPAIR OR REPLACE CAN MAIN BUS LINES OR CONNECTOR (AIRBAG SENSOR ASSEMBLY - NO. 7 CAN JUNCTION CONNECTOR)

8.

CHECK FOR SHORT IN CAN BUS LINES (NO. 9 CAN JUNCTION CONNECTOR)

(a) Reconnect the J142 airbag sensor assembly connector.

(b) Disconnect the R56 No. 9 CAN junction connector.

*a

Front view of wire harness connector

(to No. 9 CAN Junction Connector)

*b

to No. 12 CAN Junction Connector

*c

to Tire Pressure Warning ECU and Receiver

*d

to No. 8 CAN Junction Connector

(c) Measure the resistance according to the value(s) in the table below.

Standard Resistance:

Tester Connection

Condition

Specified Condition

Connected to

R56-9 (CANH) - R56-20 (CANL)

Cable disconnected from negative (-) battery terminal

108 to 132 Ω

No. 12 CAN junction connector

R56-10 (CANH) - R56-21 (CANL)

Cable disconnected from negative (-) battery terminal

200 Ω or higher

Tire pressure warning ECU and receiver

R56-11 (CANH) - R56-22 (CANL)

Cable disconnected from negative (-) battery terminal

108 to 132 Ω

No. 8 CAN junction connector

Result

Proceed to

OK

A

NG (No. 8 CAN junction connector main lines)

B

NG (ECU or sensor branch lines)

C

NG (No. 12 CAN junction connector main lines)

D

A

REPLACE NO. 9 CAN JUNCTION CONNECTOR

C

GO TO STEP 13

D

GO TO STEP 11

B

9.

CHECK FOR SHORT IN CAN BUS LINES (NO. 1 CAN JUNCTION CONNECTOR)

(a) Reconnect the R56 No. 9 CAN junction connector.

(b) Disconnect the A86 No. 1 CAN junction connector.

*a

Front view of wire harness connector

(to No. 1 CAN Junction Connector)

*b

to No. 8 CAN Junction Connector

*c

to Network Gateway ECU

*d

to Skid Control ECU (Brake Actuator Assembly)

(c) Measure the resistance according to the value(s) in the table below.

Standard Resistance:

Tester Connection

Condition

Specified Condition

Connected to

A86-8 (CANH) - A86-19 (CANL)

Cable disconnected from negative (-) battery terminal

108 to 132 Ω

No. 8 CAN junction connector

A86-9 (CANH) - A86-20 (CANL)

Cable disconnected from negative (-) battery terminal

108 to 132 Ω

Network gateway ECU

A86-10 (CANH) - A86-21 (CANL)

Cable disconnected from negative (-) battery terminal

200 Ω or higher

Skid control ECU (brake actuator assembly)

Result

Proceed to

OK

A

NG (Network gateway ECU main lines)

B

NG (ECU or sensor branch lines)

C

NG (No. 8 CAN junction connector main lines)

D

A

REPLACE NO. 1 CAN JUNCTION CONNECTOR

B

REPAIR OR REPLACE CAN MAIN BUS LINES OR CONNECTOR (NETWORK GATEWAY ECU - NO. 1 CAN JUNCTION CONNECTOR)

C

GO TO STEP 13

D

10.

CHECK FOR SHORT IN CAN BUS LINES (NO. 8 CAN JUNCTION CONNECTOR)

(a) Reconnect the A86 No. 1 CAN junction connector.

(b) Disconnect the R55 No. 8 CAN junction connector.

*a

Front view of wire harness connector

(to No. 8 CAN Junction Connector)

*b

to No. 9 CAN Junction Connector

*c

to No. 1 CAN Junction Connector

*d

to Occupant Detection ECU

*e

to 4WD ECU Assembly

(for AWD)

(c) Measure the resistance according to the value(s) in the table below.

Standard Resistance:

Tester Connection

Condition

Specified Condition

Connected to

*: for AWD

R55-1 (CANH) - R55-12 (CANL)

Cable disconnected from negative (-) battery terminal

108 to 132 Ω

No. 9 CAN junction connector

R55-2 (CANH) - R55-13 (CANL)

Cable disconnected from negative (-) battery terminal

108 to 132 Ω

No. 1 CAN junction connector

R55-3 (CANH) - R55-14 (CANL)

Cable disconnected from negative (-) battery terminal

200 Ω or higher

Occupant detection ECU

R55-4 (CANH) - R55-15 (CANL)

Cable disconnected from negative (-) battery terminal

200 Ω or higher

4WD ECU assembly*

Result

Proceed to

OK

A

NG (No. 1 CAN junction connector main lines)

B

NG (ECU or sensor branch lines)

C

NG (No. 9 CAN junction connector main lines)

D

A

REPLACE NO. 8 CAN JUNCTION CONNECTOR

B

REPAIR OR REPLACE CAN MAIN BUS LINES OR CONNECTOR (NO. 1 CAN JUNCTION CONNECTOR - NO. 8 CAN JUNCTION CONNECTOR)

C

GO TO STEP 13

D

REPAIR OR REPLACE CAN MAIN BUS LINES OR CONNECTOR (NO. 8 CAN JUNCTION CONNECTOR - NO. 9 CAN JUNCTION CONNECTOR)

11.

CHECK FOR SHORT IN CAN BUS LINES (NO. 12 CAN JUNCTION CONNECTOR)

(a) Reconnect the R56 No. 9 CAN junction connector.

(b) Disconnect the S92 No. 12 CAN junction connector.

*a

Front view of wire harness connector

(to No. 12 CAN Junction Connector)

*b

to No. 7 CAN Junction Connector

*c

to No. 9 CAN Junction Connector

*d

to Absorber Control ECU

(w/ AVS)

(c) Measure the resistance according to the value(s) in the table below.

Standard Resistance:

Tester Connection

Condition

Specified Condition

Connected to

*: w/ AVS

S92-8 (CANH) - S92-19 (CANL)

Cable disconnected from negative (-) battery terminal

108 to 132 Ω

No. 7 CAN junction connector

S92-9 (CANH) - S92-20 (CANL)

Cable disconnected from negative (-) battery terminal

108 to 132 Ω

No. 9 CAN junction connector

S92-11 (CANH) - S92-22 (CANL)

Cable disconnected from negative (-) battery terminal

200 Ω or higher

Absorber control ECU*

Result

Proceed to

OK

A

NG (No. 9 CAN junction connector main lines)

B

NG (ECU or sensor branch lines)

C

NG (No. 7 CAN junction connector main lines)

D

A

REPLACE NO. 12 CAN JUNCTION CONNECTOR

B

REPAIR OR REPLACE CAN MAIN BUS LINES OR CONNECTOR (NO. 9 CAN JUNCTION CONNECTOR - NO. 12 CAN JUNCTION CONNECTOR)

C

GO TO STEP 13

D

12.

CHECK FOR SHORT IN CAN BUS LINES (NO. 7 CAN JUNCTION CONNECTOR - NO. 12 CAN JUNCTION CONNECTOR)

(a) Reconnect the S92 No. 12 CAN junction connector.

(b) Disconnect the J99 No. 7 CAN junction connector.

*a

Front view of wire harness connector

(to No. 7 CAN Junction Connector)

*b

to Airbag Sensor Assembly

*c

to Steering Sensor

*d

to Yaw Rate Sensor Assembly

(w/ TFT Meter Type Combination Meter Assembly)

*e

to Power Steering ECU Assembly

*f

to No. 12 CAN Junction Connector

(c) Measure the resistance according to the value(s) in the table below.

Standard Resistance:

Tester Connection

Condition

Specified Condition

Connected to

*: w/ TFT Meter Type Combination Meter Assembly

J99-1 (CANH) - J99-12 (CANL)

Cable disconnected from negative (-) battery terminal

108 to 132 Ω

Airbag sensor assembly

J99-2 (CANH) - J99-13 (CANL)

Cable disconnected from negative (-) battery terminal

200 Ω or higher

Steering sensor

J99-3 (CANH) - J99-14 (CANL)

Cable disconnected from negative (-) battery terminal

200 Ω or higher

Yaw rate sensor assembly*

J99-4 (CANH) - J99-15 (CANL)

Cable disconnected from negative (-) battery terminal

200 Ω or higher

Power steering ECU assembly

J99-6 (CANH) - J99-17 (CANL)

Cable disconnected from negative (-) battery terminal

108 to 132 Ω

No. 12 CAN junction connector

Result

Proceed to

OK

A

NG (No. 12 CAN junction connector main lines)

B

NG (ECU or sensor branch lines)

C

NG (Airbag sensor assembly main lines)

D

A

REPLACE NO. 7 CAN JUNCTION CONNECTOR

B

REPAIR OR REPLACE CAN MAIN BUS LINES OR CONNECTOR (NO. 7 CAN JUNCTION CONNECTOR - NO. 12 CAN JUNCTION CONNECTOR)

D

REPAIR OR REPLACE CAN MAIN BUS LINES OR CONNECTOR (AIRBAG SENSOR ASSEMBLY - NO. 7 CAN JUNCTION CONNECTOR)

C

13.

CHECK FOR SHORT IN CAN BUS LINES (ECU, SENSOR)

(a) Reconnect all wire harness connectors.

(b) Disconnect the connector that includes terminals CANH and CANL from the ECU or sensor to which the short circuited branch line is connected.

Click here

(c) Measure the resistance according to the value(s) in the table below.

Standard Resistance:

Tester Connection

Condition

Specified Condition

J75-22 (CA2H) - J75-7 (CA2L)

Cable disconnected from negative (-) battery terminal

54 to 69 Ω

HINT:

If the resistance becomes normal (between 54 and 69 Ω) when the connector is disconnected from the ECU or sensor, there may be a short in the ECU or sensor.

*a

Component with harness connected

(Network Gateway ECU)

OK

REPLACE CORRESPONDING ECU OR SENSOR

NG

REPAIR OR REPLACE CORRESPONDING ECU OR SENSOR BRANCH LINES OR CONNECTOR

    Check Bus 4 Line for Short to +B
    DESCRIPTION There may be a short circuit between one of the CAN bus lines and +B when there is no resistance between terminal 22 (CA2H) of the network gateway ECU and terminal 16 (BAT) of the DLC3, or ...

    Open in Bus 4 Main Bus Line
    DESCRIPTION There may be an open circuit in one of the bus 4 main lines when the resistance between terminals 22 (CA2H) and 7 (CA2L) of the network gateway ECU is 70 Ω or higher. Symptom Trouble ...

    Other materials:

    Lexus RX (RX 350L, RX450h) 2016-2025 Repair Manual > Navigation System: Remote Touch Screen Does not Generate Vibration Feedback
    DESCRIPTION When each button displayed on the multi-display assembly is selected via remote touch screen operation, the remote touch screen generates vibration feedback according to communication between the remote touch and radio receiver assembly. CAUTION / NOTICE / HINT NOTICE: Depending on the p ...

    Lexus RX (RX 350L, RX450h) 2016-2025 Repair Manual > Automatic Transaxle Fluid: Adjustment
    ADJUSTMENT PROCEDURE 1. PRECAUTIONS AND WORK DESCRIPTION (a) The U881E automatic transaxle assembly does not have an oil filler tube and oil level gauge. When adding automatic transaxle fluid, add automatic transaxle fluid through the refill hole on the automatic transaxle case sub-assembly. The aut ...

    Lexus RX (RX 350L, RX450h) 2016-{YEAR} Owners Manual

    Lexus RX (RX 350L, RX450h) 2016-{YEAR} Repair Manual

    © 2025 Copyright www.lexusrx.net
    0.014