Lexus RX (RX 350L, RX450h) 2016-2026 Repair Manual: Short in D Squib Circuit (B1800-B1803)

DESCRIPTION

The driver squib circuit consists of the airbag sensor assembly, spiral cable sub-assembly and horn button assembly.

The airbag sensor assembly uses this circuit to deploy the airbag when deployment conditions are met.

These DTCs are stored when a malfunction is detected in the driver squib circuit.

DTC No.

Detection Item

DTC Detection Condition

Trouble Area

Warning Indicate

Test Mode / Check Mode

B1800

Short in D Squib Circuit

  • The airbag sensor assembly detects a line short in the driver squib circuit during the primary check.
  • Spiral cable sub-assembly malfunction
  • Driver squib malfunction
  • Airbag sensor assembly malfunction
  • Instrument panel wire
  • Spiral cable sub-assembly
  • Driver squib (Horn button assembly)
  • Airbag sensor assembly

Comes on

Applies to check mode

B1801

Open in D Squib Circuit

  • The airbag sensor assembly detects an open in the driver squib circuit.
  • Spiral cable sub-assembly malfunction
  • Driver squib malfunction
  • Airbag sensor assembly malfunction
  • Instrument panel wire
  • Spiral cable sub-assembly
  • Driver squib (Horn button assembly)
  • Airbag sensor assembly

Comes on

Applies to check mode

B1802

Short in D Squib Circuit (to Ground)

  • The airbag sensor assembly detects a short to ground in the driver squib circuit.
  • Spiral cable sub-assembly malfunction
  • Driver squib malfunction
  • Airbag sensor assembly malfunction
  • Instrument panel wire
  • Spiral cable sub-assembly
  • Driver squib (Horn button assembly)
  • Airbag sensor assembly

Comes on

Applies to check mode

B1803

Short in D Squib Circuit (to +B)

  • The airbag sensor assembly detects a short to B+ in the driver squib circuit.
  • Spiral cable sub-assembly malfunction
  • Driver squib malfunction
  • Airbag sensor assembly malfunction
  • Instrument panel wire
  • Spiral cable sub-assembly
  • Driver squib (Horn button assembly)
  • Airbag sensor assembly

Comes on

Applies to check mode

WIRING DIAGRAM

CAUTION / NOTICE / HINT

NOTICE:

After turning the engine switch off, waiting time may be required before disconnecting the cable from the negative (-) battery terminal. Therefore, make sure to read the disconnecting the cable from the negative (-) battery terminal notices before proceeding with work.

Click here

HINT:

  • Perform the simulation method by selecting check mode (Signal Check) using the Techstream.

    Click here

  • After selecting check mode (Signal Check), perform the simulation method by wiggling each connector of the airbag system or driving the vehicle on a city road or rough road.

    Click here

PROCEDURE

1.

CHECK CONNECTORS

(a) Turn the engine switch off.

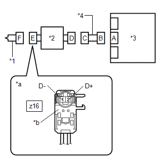
*1

Horn Button Assembly

*2

Spiral Cable Sub-assembly

*3

Airbag Sensor Assembly

*4

Instrument Panel Wire

(b) Disconnect the cable from the negative (-) battery terminal.

CAUTION:

Wait at least 90 seconds after disconnecting the cable from the negative (-) battery terminal to disable the SRS system.

(c) Check that the connectors are properly connected to the horn button assembly, spiral cable sub-assembly and airbag sensor assembly.

OK:

The connectors are properly connected.

HINT:

If the connectors are not properly connected, reconnect the connectors and proceed to the next inspection.

(d) Disconnect the connectors from the horn button assembly, spiral cable sub-assembly and airbag sensor assembly.

(e) Check that the terminals of the connectors are not deformed or damaged.

OK:

The terminals are not deformed or damaged.

(f) Check that the spiral cable sub-assembly connector (on the horn button assembly side) is not loose, deformed or damaged.

OK:

The airbag connector locking button is not disengaged, and the claw of the lock is not deformed or damaged.

(g) Check that the short springs of the activation prevention mechanisms of the instrument panel wire connector and spiral cable sub-assembly connector are not deformed or damaged.

OK:

The short springs are not deformed or damaged.

NG

REPLACE WIRE HARNESS

OK

2.

CHECK HORN BUTTON ASSEMBLY

(a) Connect the instrument panel wire to the airbag sensor assembly and spiral cable sub-assembly.

*1

Horn Button Assembly

*2

Spiral Cable Sub-assembly

*3

Airbag Sensor Assembly

*a

Front view of wire harness connector

(to Horn Button Assembly)

*b

Color: Light Green

(b) Connect SST (resistance 2.1 Ω) to connector E (light green connector).

CAUTION:

Never connect a tester to the horn button assembly for measurement, as this may lead to a serious injury due to airbag deployment.

NOTICE:

  • Do not forcibly insert SST into the terminals of the connector when connecting it.
  • Insert SST straight into the terminals of the connector.

SST: 09843-18061

(c) Connect the cable to the negative (-) battery terminal.

(d) Turn the engine switch on (IG), and wait for at least 60 seconds.

(e) Clear the DTCs stored in memory.

Body Electrical > SRS Airbag > Clear DTCs

(f) Turn the engine switch off.

(g) Turn the engine switch on (IG), and wait for at least 60 seconds.

(h) Check for DTCs.

Body Electrical > SRS Airbag > Trouble Codes

OK:

DTC B1800, B1801, B1802 or B1803 is not output.

HINT:

Codes other than DTCs B1800, B1801, B1802 and B1803 may be output at this time, but they are not related to this check.

(i) Turn the engine switch off.

(j) Disconnect the cable from the negative (-) battery terminal.

CAUTION:

Wait at least 90 seconds after disconnecting the cable from the negative (-) battery terminal to disable the SRS system.

(k) Disconnect SST from connector E.

OK

REPLACE HORN BUTTON ASSEMBLY

NG

3.

CHECK DRIVER SQUIB CIRCUIT

(a) Disconnect the instrument panel wire from the airbag sensor assembly.

*1

Horn Button Assembly

*2

Spiral Cable Sub-assembly

*3

Airbag Sensor Assembly

*a

Front view of wire harness connector

(to Horn Button Assembly)

*b

Color: Light Green

(b) Check for a short to B+ in the circuit.

(1) Connect the cable to the negative (-) battery terminal.

(2) Turn the engine switch on (IG).

(3) Measure the voltage according to the value(s) in the table below.

Standard Voltage:

Tester Connection

Condition

Specified Condition

z16-2 (D+) - Body ground

Engine switch on (IG)

Below 1 V

z16-1 (D-) - Body ground

Engine switch on (IG)

Below 1 V

(4) Turn the engine switch off.

(5) Disconnect the cable from the negative (-) battery terminal.

CAUTION:

Wait at least 90 seconds after disconnecting the cable from the negative (-) battery terminal to disable the SRS system.

(c) Check for an open in the circuit.

(1) Measure the resistance according to the value(s) in the table below.

Standard Resistance:

Tester Connection

Condition

Specified Condition

z16-2 (D+) - z16-1 (D-)

Always

Below 1 Ω

(d) Check for a short to ground in the circuit.

(1) Measure the resistance according to the value(s) in the table below.

Standard Resistance:

Tester Connection

Condition

Specified Condition

z16-2 (D+) - Body ground

Always

1 MΩ or higher

z16-1 (D-) - Body ground

Always

1 MΩ or higher

(e) Check for a short in the circuit.

(1) Release the activation prevention mechanism built into connector B.

Click here

(2) Measure the resistance according to the value(s) in the table below.

Standard Resistance:

Tester Connection

Condition

Specified Condition

z16-2 (D+) - z16-1 (D-)

Always

1 MΩ or higher

(3) Restore the released activation prevention mechanism of connector B to the original condition.

NG

GO TO STEP 5

OK

4.

CHECK DTC

(a) Connect the connectors to the horn button assembly and airbag sensor assembly.

*1

Horn Button Assembly

*2

Spiral Cable Sub-assembly

*3

Airbag Sensor Assembly

(b) Connect the cable to the negative (-) battery terminal.

(c) Turn the engine switch on (IG), and wait for at least 60 seconds.

(d) Clear the DTCs stored in memory.

Body Electrical > SRS Airbag > Clear DTCs

(e) Turn the engine switch off.

(f) Turn the engine switch on (IG), and wait for at least 60 seconds.

(g) Check for DTCs.

Body Electrical > SRS Airbag > Trouble Codes

OK:

DTC B1800, B1801, B1802 or B1803 is not output.

HINT:

Codes other than DTCs B1800, B1801, B1802 and B1803 may be output at this time, but they are not related to this check.

OK

USE SIMULATION METHOD TO CHECK

NG

REPLACE AIRBAG SENSOR ASSEMBLY

5.

CHECK INSTRUMENT PANEL WIRE

(a) Disconnect the instrument panel wire from the spiral cable sub-assembly.

*1

Horn Button Assembly

*2

Spiral Cable Sub-assembly

*3

Airbag Sensor Assembly

*4

Instrument Panel Wire

*a

Front view of wire harness connector

(to Spiral Cable Sub-assembly)

(b) Check for a short to B+ in the circuit.

(1) Connect the cable to the negative (-) battery terminal.

(2) Turn the engine switch on (IG).

(3) Measure the voltage according to the value(s) in the table below.

Standard Voltage:

Tester Connection

Condition

Specified Condition

J30-1 (D+) - Body ground

Engine switch on (IG)

Below 1 V

J30-2 (D-) - Body ground

Engine switch on (IG)

Below 1 V

(4) Turn the engine switch off.

(5) Disconnect the cable from the negative (-) battery terminal.

CAUTION:

Wait at least 90 seconds after disconnecting the cable from the negative (-) battery terminal to disable the SRS system.

(c) Check for an open in the circuit.

(1) Measure the resistance according to the value(s) in the table below.

Standard Resistance:

Tester Connection

Condition

Specified Condition

J30-1 (D+) - J30-2 (D-)

Always

Below 1 Ω

(d) Check for a short to ground in the circuit.

(1) Measure the resistance according to the value(s) in the table below.

Standard Resistance:

Tester Connection

Condition

Specified Condition

J30-1 (D+) - Body ground

Always

1 MΩ or higher

J30-2 (D-) - Body ground

Always

1 MΩ or higher

(e) Check for a short in the circuit.

(1) Release the activation prevention mechanism built into connector B.

Click here

(2) Measure the resistance according to the value(s) in the table below.

Standard Resistance:

Tester Connection

Condition

Specified Condition

J30-1 (D+) - J30-2 (D-)

Always

1 MΩ or higher

(3) Restore the released activation prevention mechanism of connector B to the original condition.

NG

REPLACE INSTRUMENT PANEL WIRE

OK

6.

CHECK SPIRAL CABLE SUB-ASSEMBLY

(a) Check for a short to B+ in the circuit.

(1) Connect the cable to the negative (-) battery terminal.

(2) Turn the engine switch on (IG).

(3) Measure the voltage according to the value(s) in the table below.

Standard Voltage:

Tester Connection

Condition

Specified Condition

z16-2 (D+) - Body ground

Engine switch on (IG)

Below 1 V

z16-1 (D-) - Body ground

Engine switch on (IG)

Below 1 V

(4) Turn the engine switch off.

(5) Disconnect the cable from the negative (-) battery terminal.

CAUTION:

Wait at least 90 seconds after disconnecting the cable from the negative (-) battery terminal to disable the SRS system.

*1

Horn Button Assembly

*2

Spiral Cable Sub-assembly

*3

Airbag Sensor Assembly

*4

Instrument Panel Wire

*a

Front view of wire harness connector

(to Horn Button Assembly)

*b

Color: Light Green

(b) Check for an open in the circuit.

(1) Measure the resistance according to the value(s) in the table below.

Standard Resistance:

Tester Connection

Condition

Specified Condition

z16-2 (D+) - z16-1 (D-)

Always

Below 1 Ω

(c) Check for a short to ground in the circuit.

(1) Measure the resistance according to the value(s) in the table below.

Standard Resistance:

Tester Connection

Condition

Specified Condition

z16-2 (D+) - Body ground

Always

1 MΩ or higher

z16-1 (D-) - Body ground

Always

1 MΩ or higher

(d) Check for a short in the circuit.

(1) Release the activation prevention mechanism built into connector D.

Click here

(2) Measure the resistance according to the value(s) in the table below.

Standard Resistance:

Tester Connection

Condition

Specified Condition

z16-2 (D+) - z16-1 (D-)

Always

1 MΩ or higher

(3) Restore the released activation prevention mechanism of connector D to the original condition.

OK

USE SIMULATION METHOD TO CHECK

NG

REPLACE SPIRAL CABLE SUB-ASSEMBLY

    Lost Communication with Front Door Pressure Sensor LH (B167B,B167C)
    DESCRIPTION The side collision sensor LH circuit (bus 1) consists of the airbag sensor assembly, door side airbag sensor LH and rear airbag sensor LH. The door side airbag sensor LH and rear airbag se ...

    Short in P Squib Circuit (B1805-B1808)
    DESCRIPTION The front passenger squib circuit consists of the airbag sensor assembly and instrument panel passenger airbag assembly. The airbag sensor assembly uses this circuit to deploy the airbag w ...

    Other materials:

    Lexus RX (RX 350L, RX450h) 2016-2026 Repair Manual > Occupant Classification System: Front Occupant Classification Sensor LH Circuit Malfunction (B1780)
    DESCRIPTION The front occupant classification sensor LH circuit consists of the occupant detection ECU and front occupant classification sensor LH. DTC B1780 is stored when a malfunction is detected in the front occupant classification sensor LH circuit. DTC No. Detection Item DTC Detection C ...

    Lexus RX (RX 350L, RX450h) 2016-2026 Repair Manual > Knee Airbag Assembly: On-vehicle Inspection
    ON-VEHICLE INSPECTION CAUTION / NOTICE / HINT CAUTION: Be sure to correctly follow the removal and installation procedures for the lower No. 1 instrument panel airbag assembly. PROCEDURE 1. INSPECT LOWER NO. 1 INSTRUMENT PANEL AIRBAG ASSEMBLY (for Vehicle not Involved in Collision) (a) Perform a dia ...

    Lexus RX (RX 350L, RX450h) 2016-{YEAR} Owners Manual

    Lexus RX (RX 350L, RX450h) 2016-{YEAR} Repair Manual

    © 2026 Copyright www.lexusrx.net
    0.0111