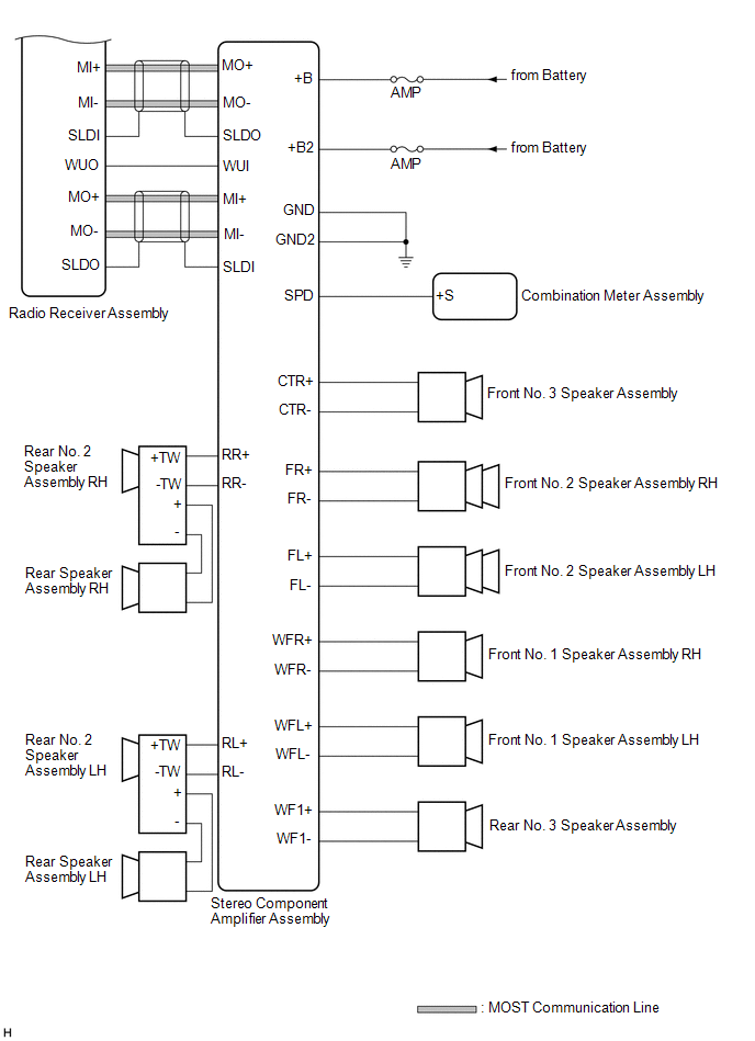
SYSTEM DIAGRAM
w/ Parking Assist Monitor System
w/ Panoramic View Monitor System
for 9 Speakers
for 12 Speakers
for 15 Speakers 
Parts Location
How To Proceed With TroubleshootingLexus RX (RX 350L, RX450h) 2016-2025 Repair Manual > Navigation System: Disc cannot be Ejected
CAUTION / NOTICE / HINT NOTICE: Depending on the parts that are replaced during vehicle inspection or maintenance, performing initialization, registration or calibration may be needed. Refer to Precaution for Navigation System. Click here PROCEDURE 1. CHECK OPERATION (a) Press the disc ej ...
Lexus RX (RX 350L, RX450h) 2016-2025 Repair Manual > Audio And Visual System (for 8 Inch Display): USB Audio System Recognition/Play Error
DESCRIPTION When a USB device or "iPod" is connected to the USB jack of the No. 1 stereo jack adapter assembly, it must have playable files. The device must also communicate with and be recognized by the radio receiver assembly. This diagnostic procedure is for when a device is not recognized, or fi ...