Lexus RX (RX 350L, RX450h) 2016-2025 Repair Manual: Microphone Circuit

DESCRIPTION

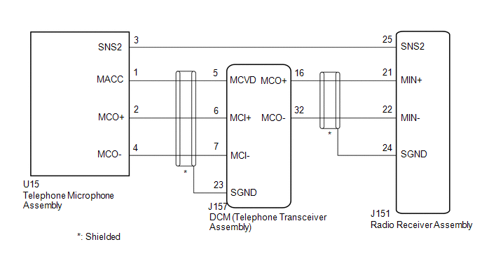
  • The radio receiver assembly and telephone microphone assembly are connected to each other using the microphone connection detection signal lines.
  • Using this circuit, the radio receiver assembly sends power to the telephone microphone assembly, and the telephone microphone assembly sends microphone signals to the radio receiver assembly.*1
  • Using this circuit, the DCM (telematics transceiver) sends power to the telephone microphone assembly, and the telephone microphone assembly sends microphone signals to the radio receiver assembly via the DCM (telematics transceiver).*2
    • *1: w/o Manual (SOS) Switch
    • *2: w/ Manual (SOS) Switch

WIRING DIAGRAM

w/ Manual (SOS) Switch w/o Manual (SOS) Switch

CAUTION / NOTICE / HINT

NOTICE:

  • Depending on the parts that are replaced during vehicle inspection or maintenance, performing initialization, registration or calibration may be needed. Refer to Precaution for Audio and Visual System.

    Click here

  • Before replacing the DCM (telematics transceiver), refer to Registration.

    Click here

PROCEDURE

1.

CHECK MICROPHONE (OPERATION CHECK)

(a) Enter the "Microphone Check" screen. Refer to Check Microphone (Input to radio receiver assembly) in Operation Check.

Click here

(b) When voice is input into the microphone, check that the microphone input level meter changes according to the input voice.

OK:

Check result is normal.

OK

PROCEED TO NEXT SUSPECTED AREA SHOWN IN PROBLEM SYMPTOMS TABLE

NG

2.

CHECK MODEL

(a) Choose the model to be inspected.

Result

Proceed to

w/ Manual (SOS) Switch

A

w/o Manual (SOS) Switch

B

B

GO TO STEP 9

A

3.

CHECK HARNESS AND CONNECTOR (RADIO RECEIVER ASSEMBLY - TELEPHONE MICROPHONE ASSEMBLY)

(a) Disconnect the J151 radio receiver assembly connector.

(b) Disconnect the U15 telephone microphone assembly connector.

(c) Measure the resistance according to the value(s) in the table below.

Standard Resistance:

Tester Connection

Condition

Specified Condition

J151-25 (SNS2) - U15-3 (SNS2)

Always

Below 1 Ω

J151-25 (SNS2) or U15-3 (SNS2) - Body ground

Always

10 kΩ or higher

NG

REPAIR OR REPLACE HARNESS OR CONNECTOR

OK

4.

CHECK HARNESS AND CONNECTOR (RADIO RECEIVER ASSEMBLY - DCM (TELEMATICS TRANSCEIVER))

(a) Disconnect the J151 radio receiver assembly connector.

(b) Disconnect the J157 DCM (telematics transceiver) connector.

(c) Measure the resistance according to the value(s) in the table below.

Standard Resistance:

Tester Connection

Condition

Specified Condition

J151-21 (MIN+) - J157-16 (MCO+)

Always

Below 1 Ω

J151-22 (MIN-) - J157-32 (MCO-)

Always

Below 1 Ω

J151-21 (MIN+) or J157-16 (MCO+) - Body ground

Always

10 kΩ or higher

J151-22 (MIN-) or J157-32 (MCO-) - Body ground

Always

10 kΩ or higher

J151-24 (SGND) - Body ground

Always

10 kΩ or higher

NG

REPAIR OR REPLACE HARNESS OR CONNECTOR

OK

5.

CHECK HARNESS AND CONNECTOR (DCM (TELEMATICS TRANSCEIVER) - TELEPHONE MICROPHONE ASSEMBLY)

(a) Disconnect the J157 DCM (telematics transceiver) connector.

(b) Disconnect the U15 telephone microphone assembly connector.

(c) Measure the resistance according to the value(s) in the table below.

Standard Resistance:

Tester Connection

Condition

Specified Condition

J157-5 (MCVD) - U15-1 (MACC)

Always

Below 1 Ω

J157-6 (MCI+) - U15-2 (MCO+)

Always

Below 1 Ω

J157-7 (MCI-) - U15-4 (MCO-)

Always

Below 1 Ω

J157-5 (MCVD) or U15-1 (MACC) - Body ground

Always

10 kΩ or higher

J157-6 (MCI+) or U15-2 (MCO+) - Body ground

Always

10 kΩ or higher

J157-7 (MCI-) or U15-4 (MCO-) - Body ground

Always

10 kΩ or higher

J157-23 (SGND) - Body ground

Always

10 kΩ or higher

NG

REPAIR OR REPLACE HARNESS OR CONNECTOR

OK

6.

CHECK DCM (TELEMATICS TRANSCEIVER)

(a) Remove the DCM (telematics transceiver) with the connector(s) still connected.

*a

Component with harness connected

(DCM (Telematics Transceiver))

(b) Measure the voltage according to the value(s) in the table below.

Standard Voltage:

Tester Connection

Condition

Specified Condition

J157-5 (MCVD) - Body ground

Engine switch on (ACC)

4 to 6 V

(c) Measure the resistance according to the value(s) in the table below.

Standard Resistance:

Tester Connection

Condition

Specified Condition

J157-23 (SGND) - Body ground

Always

Below 1 Ω

J157-7 (MCI-) - Body ground

Always

Below 1 Ω

NG

REPLACE DCM (TELEMATICS TRANSCEIVER)

OK

7.

CHECK TELEPHONE MICROPHONE ASSEMBLY (OUTPUT TO DCM (TELEMATICS TRANSCEIVER))

*a

Component with harness connected

(Telephone Microphone Assembly)

(a) Check the output waveform.

(1) Remove the telephone microphone assembly with the connector(s) still connected.

Click here

(2) Connect an oscilloscope to terminal U15-2 (MCO+) and U15-4 (MCO-).

(3) Turn the engine switch on (ACC).

(4) Sound is input to the telephone microphone assembly when the user is closer than 125 mm from the telephone microphone assembly sound holes in the roof headlining holder cover.

(5) Check the signal waveform according to the condition(s) in the table below.

Item

Condition

Measurement terminal

U15-2 (MCO+) - U15-4 (MCO-)

Tool setting

50 mV/DIV., 500 ms/DIV.

Vehicle condition

  1. Engine switch on (ACC)
  2. Sound is input to the telephone microphone assembly when the user is closer than 125 mm from the telephone microphone assembly sound holes in the roof headlining holder cover.

OK:

The waveform is similar to that shown in the illustration.

HINT:

The oscilloscope waveform shown in the illustration is an example for reference only.

NG

REPLACE TELEPHONE MICROPHONE ASSEMBLY

OK

8.

CHECK DCM (TELEMATICS TRANSCEIVER) (OUTPUT TO RADIO RECEIVER ASSEMBLY)

*a

Component with harness connected

(DCM (Telematics Transceiver))

(a) Check the output waveform.

(1) Remove the DCM (telematics transceiver) with the connector(s) still connected.

Click here

(2) Connect an oscilloscope to terminal J157-16 (MCO+) and J157-32 (MCO-).

(3) Turn the engine switch on (ACC).

(4) Sound is input to the telephone microphone assembly when the user is closer than 125 mm from the telephone microphone assembly sound holes in the roof headlining holder cover.

(5) Check the signal waveform according to the condition(s) in the table below.

Item

Condition

Measurement terminal

J157-16 (MCO+) - J157-32 (MCO-)

Tool setting

50 mV/DIV., 500 ms/DIV.

Vehicle condition

  1. Engine switch on (ACC)
  2. Sound is input to the telephone microphone assembly when the user is closer than 125 mm from the telephone microphone assembly sound holes in the roof headlining holder cover.

OK:

The waveform is similar to that shown in the illustration.

HINT:

The oscilloscope waveform shown in the illustration is an example for reference only.

OK

REPLACE RADIO RECEIVER ASSEMBLY

NG

REPLACE DCM (TELEMATICS TRANSCEIVER)

9.

CHECK HARNESS AND CONNECTOR (RADIO RECEIVER ASSEMBLY - TELEPHONE MICROPHONE ASSEMBLY)

(a) Disconnect the J151 radio receiver assembly connector.

(b) Disconnect the U15 telephone microphone assembly connector.

(c) Measure the resistance according to the value(s) in the table below.

Standard Resistance:

Tester Connection

Condition

Specified Condition

J151-25 (SNS2) - U15-3 (SNS2)

Always

Below 1 Ω

J151-23 (MACC) - U15-1 (MACC)

Always

Below 1 Ω

J151-21 (MIN+) - U15-2 (MCO+)

Always

Below 1 Ω

J151-22 (MIN-) - U15-4 (MCO-)

Always

Below 1 Ω

J151-25 (SNS2) or U15-3 (SNS2) - Body ground

Always

10 kΩ or higher

J151-23 (MACC) or U15-1 (MACC) - Body ground

Always

10 kΩ or higher

J151-21 (MIN+) or U15-2 (MCO+) - Body ground

Always

10 kΩ or higher

J151-22 (MIN-) or U15-4 (MCO-) - Body ground

Always

10 kΩ or higher

J151-24 (SGND) - Body ground

Always

10 kΩ or higher

NG

REPAIR OR REPLACE HARNESS OR CONNECTOR

OK

10.

CHECK RADIO RECEIVER ASSEMBLY

(a) Remove the radio receiver assembly with the connector(s) still connected.

*a

Component with harness connected

(Radio Receiver Assembly)

(b) Measure the voltage according to the value(s) in the table below.

Standard Voltage:

Tester Connection

Condition

Specified Condition

J151-23 (MACC) - Body ground

Engine switch on (ACC)

4 to 6 V

(c) Measure the resistance according to the value(s) in the table below.

Standard Resistance:

Tester Connection

Condition

Specified Condition

J151-22 (MIN-) - Body ground

Always

Below 1 Ω

J151-24 (SGND) - Body ground

Always

Below 1 Ω

NG

REPLACE RADIO RECEIVER ASSEMBLY

OK

11.

CHECK TELEPHONE MICROPHONE ASSEMBLY (OUTPUT TO RADIO RECEIVER ASSEMBLY)

*a

Component with harness connected

(Telephone Microphone Assembly)

(a) Check the output waveform.

(1) Remove the telephone microphone assembly with the connector(s) still connected.

Click here

(2) Connect an oscilloscope to terminal U15-2 (MCO+) and U15-4 (MCO-).

(3) Turn the engine switch on (ACC).

(4) Sound is input to the telephone microphone assembly when the user is closer than 125 mm from the telephone microphone assembly sound holes in the roof headlining holder cover.

(5) Check the signal waveform according to the condition(s) in the table below.

Item

Condition

Measurement terminal

U15-2 (MCO+) - U15-4 (MCO-)

Tool setting

50 mV/DIV., 500 ms/DIV.

Vehicle condition

  1. Engine switch on (ACC)
  2. Sound is input to the telephone microphone assembly when the user is closer than 125 mm from the telephone microphone assembly sound holes in the roof headlining holder cover.

OK:

The waveform is similar to that shown in the illustration.

HINT:

The oscilloscope waveform shown in the illustration is an example for reference only.

OK

REPLACE RADIO RECEIVER ASSEMBLY

NG

REPLACE TELEPHONE MICROPHONE ASSEMBLY

    Voice Guidance Circuit between Radio Receiver and Stereo Component Amplifier
    DESCRIPTION Using this circuit, the radio receiver assembly sends signals to the stereo component amplifier assembly. WIRING DIAGRAM PROCEDURE 1. CHECK HARNESS AND CONNECTOR (RADIO RECEIVER ASS ...

    Visual Mute Signal Circuit between Radio Receiver and Multi-display
    DESCRIPTION The radio receiver assembly sends a visual mute signal to the multi-display assembly. As a result, a black screen is displayed when the screen changes so that noise and distorted images ar ...

    Other materials:

    Lexus RX (RX 350L, RX450h) 2016-2025 Repair Manual > Lighting System (w/ Automatic Headlight Beam Level Control System): Height Sensor Initialization Incomplete (B2450)
    DESCRIPTION The No. 1 headlight ECU sub-assembly LH stores this DTC if initialization has not been performed after it was replaced. DTC No. Detection Item DTC Detection Condition Trouble Area DTC Output from B2450 Height Sensor Initialization Incomplete The engine switch is on ...

    Lexus RX (RX 350L, RX450h) 2016-2025 Repair Manual > Rear Center Seat Outer Belt Assembly(w/o Rear No. 2 Seat): Installation
    INSTALLATION PROCEDURE 1. INSTALL REAR CENTER SEAT OUTER BELT ASSEMBLY (a) Install the rear center seat outer belt assembly with the 2 nuts. Torque: Nut (A) : 12.5 N·m {127 kgf·cm, 9 ft·lbf} Nut (B) : 42 N·m {428 kgf·cm, 31 ft·lbf} 2. INSTALL SEATBACK FELT RH (for TMK Made) Click here 3. ...

    Lexus RX (RX 350L, RX450h) 2016-{YEAR} Owners Manual

    Lexus RX (RX 350L, RX450h) 2016-{YEAR} Repair Manual

    © 2025 Copyright www.lexusrx.net
    0.0103