Lexus RX (RX 350L, RX450h) 2016-2025 Repair Manual: System Diagram

SYSTEM DIAGRAM

Transmitting ECU (Transmitter)

Receiving ECU

Signal

Communication Method

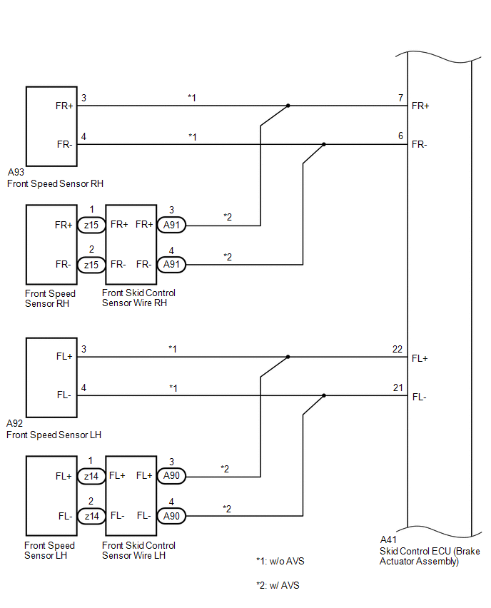
Skid control ECU (Brake actuator assembly)

Steering angle sensor

Steering angle sensor request signal

CAN communication system

Steering angle sensor

Skid control ECU (Brake actuator assembly)

Steering angle sensor signal

CAN communication system

Skid control ECU (Brake actuator assembly)

  • Yaw rate and acceleration sensor (Airbag sensor assembly)*1
  • Yaw rate and acceleration sensor*2

Yaw rate and acceleration request signal

CAN communication system

  • Yaw rate and acceleration sensor (Airbag sensor assembly)*1
  • Yaw rate and acceleration sensor*2

Skid control ECU (Brake actuator assembly)

Yaw rate and acceleration signal

CAN communication system

Skid control ECU (Brake actuator assembly)

ECM

  • Vehicle speed signal
  • VSC data signal

CAN communication system

ECM

Skid control ECU (Brake actuator assembly)

  • Shift position signal
  • Throttle position signal
  • Engine speed signal
  • SFI system data signal

CAN communication system

Skid control ECU (brake actuator assembly)

Power steering ECU assembly

  • Vehicle speed signal
  • VSC data signal

CAN communication system

Power steering ECU assembly

Skid control ECU (Brake actuator assembly)

Power steering system data signal

CAN communication system

Main body ECU (multiplex network body ECU)

Skid control ECU (Brake actuator assembly)

  • Driver seat belt buckle switch signal
  • Driver side courtesy switch signal

CAN communication system

Skid control ECU (Brake actuator assembly)

Combination meter assembly

  • ABS warning light signal
  • Brake warning light signal
  • Slip indicator light signal
  • VSC OFF indicator light signal
  • Multi-information display (TRAC OFF message) signal
  • Brake hold standby indicator light signal
  • Brake hold operated indicator light signal
  • Multi-information display (Secondary Collision Brake System Malfunction) signal
  • Multi-information display (Brake hold system malfunction) signal
  • Vehicle speed signal

CAN communication system

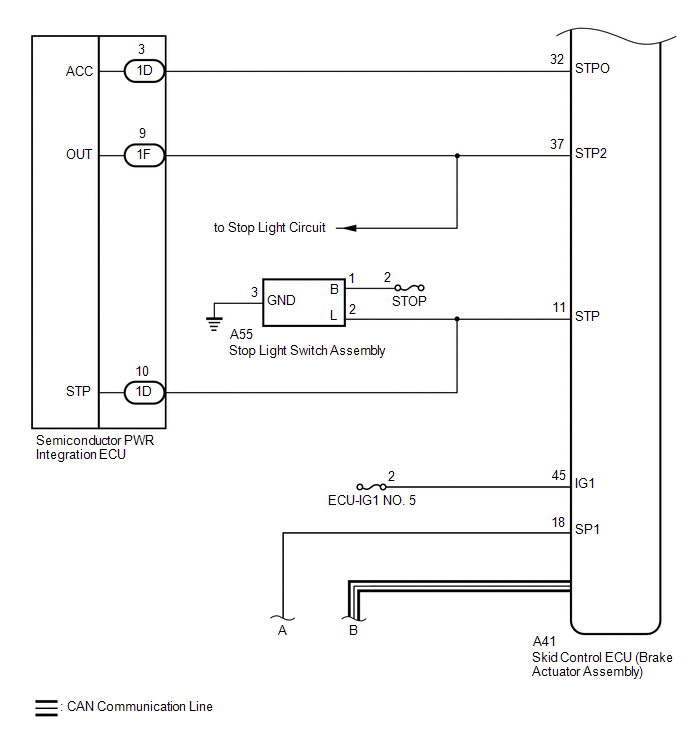
Airbag sensor assembly

Skid control ECU (Brake actuator assembly)

Secondary collision brake request signal

CAN communication system

*1: for Optitron Meter Type

*2: for TFT Meter Type

    Parts Location
    PARTS LOCATION ILLUSTRATION *A w/o AVS *B for 2WD *C for AWD - - *1 FRONT SPEED SENSOR RH *2 FRONT SPEED SENSOR LH *3 FRONT AXLE HUB SUB-ASSEMBLY RH - FRONT SPEED S ...

    How To Proceed With Troubleshooting
    CAUTION / NOTICE / HINT HINT: *: Use the Techstream. PROCEDURE 1. VEHICLE BROUGHT TO WORKSHOP NEXT 2. CUSTOMER PROBLEM ANALYSIS (a) Interview the customer and confir ...

    Other materials:

    Lexus RX (RX 350L, RX450h) 2016-2025 Repair Manual > Sfi System: Camshaft Position Sensor "B" Bank 1 Circuit Short to Ground (P036511,P036515,P03652A,P036531,P039011,P039015,P039031)
    DESCRIPTION The VVT sensor (for exhaust camshaft) (EV1, EV2 signal) consists of a magnet and MRE (Magneto Resistance Element). The exhaust camshaft has a timing rotor for the VVT sensor. When the exhaust camshaft rotates, changes occur in the air gaps between the timing rotor and MRE, which affects ...

    Lexus RX (RX 350L, RX450h) 2016-2025 Repair Manual > Rear Seatback Heater (for Captain Seat Type): Components
    COMPONENTS ILLUSTRATION *1 CUP HOLDER ASSEMBLY *2 NO. 1 RECLINING ADJUSTER RELEASE HANDLE LH *3 NO. 1 SEAT ARMREST CAP *4 REAR SEAT ARMREST ASSEMBLY LH *5 REAR SEAT COVER CAP LH *6 REAR SEAT INNER RECLINING COVER LH *7 REAR SEAT LOCK CONTROL LEVER SUB-ASSEMBLY LH ...

    Lexus RX (RX 350L, RX450h) 2016-{YEAR} Owners Manual

    Lexus RX (RX 350L, RX450h) 2016-{YEAR} Repair Manual

    © 2025 Copyright www.lexusrx.net
    0.0109